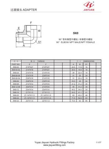
Größentabelle der wiederverwendbaren Fittings für SAE 100R2AT Hydraulikschlauch ist ähnlich, aber keine internationale Norm, gibt es Firmenstandards wie Weatherhead H425, Parker 301, Gates G2, Aeroquip FC212, Empfohlen für Hydraulikleitungen mit Erdöl und Wasser-basierte Flüssigkeiten. Wiederverwendbare Schlaucharmaturen erfüllen die gleichen Leistungsanforderungen wie fest angehängte Crimparmaturen.
Größentabelle der wiederverwendbaren Schlauchferrule

Größentabelle der wiederverwendbaren Schlaucharmaturen

Größentabelle der wiederverwendbaren Schlauchkupplungen

Wenn Sie Fragen haben, zögern Sie nicht, uns zu kontaktieren jyray@72338.com






