Anschluss der Vierkantflanschklemmen für Hydraulikflüssigkeit
Metrische quadratische hydraulische Flanschanschlüsse haben 4-Loch-Flanschabmessungen gemäß ISO 6164-Standards. Es sind die Blockflansche mit quadratischem Muster für die hydraulischen Anwendungen, um Motor, Pumpe, Wagenheber usw. in mobilen und industriellen Rohrleitungsgeräten abzudichten.
Die Abmessung der ISO-Vierkantflanschklemme unterscheidet sich von der Standardgrößentabelle nach SAE J518. Für hohe Drücke von 42 MPa werden vierstückige einteilige Flanschverbindungen verwendet. Größe von DN 25 bis 80.
Der Arbeitsdruck basiert auf dem Eisenmaterial der Flanschklemmen, des Flanschkopfes, der Schraube und der Öffnung. Minums
Baugruppentypen der Vierkantflanschkupplung wie folgt:
Flanschverbindung mit Stumpfschweißung
Flanschverbindung zum Anschluss
Komponenten von ISO-Vierkantflanschverbindungssystemen, einschließlich:
Vierkantflanschklemmen
Quadratische Flanschadapter (Flanschkopf mit oder ohne Nut
O-Ring-Dichtung
Schraube
Abmessungen der Vierkantflanschklemmen

Teile-Nr. | Dominalgröße | d1 | d2 | d3 | d4 | L4 | L5 | L6 | L7 | c |
FCS-25 | 25 | 62 | 11 | 38.9 | 48.4 | 65 | 43.8 | 25 | 8.5 | 10 |
FCS-32 | 32 | 73 | 13 | 44.6 | 54.8 | 75 | 51.6 | 30 | 9.3 | 12 |
FCS-38 | 38 | 85 | 17 | 51.6 | 64.3 | 90 | 60.1 | 36 | 11.5 | 14 |
FCS-51 | 51 | 98 | 17 | 67.6 | 80.2 | 100 | 69.3 | 40 | 11.5 | 16 |
FCS-56 | 56 | 118 | 21 | 80.5 | 95 | 120 | 83.4 | 50 | 15.5 | 20 |
FCS-63 | 63 | 145 | 21 | 90.5 | 111 | 150 | 102.5 | 52 | 16.1 | 20 |
FCS-70 | 70 | 160 | 25 | 102.5 | 120 | 160 | 113.1 | 60 | 17.5 | 20 |
FCS-80 | 80 | 175 | 31 | 114.5 | 136 | 180 | 123.7 | 70 | 21 | 24 |
Maximaler Arbeitsdruck des VierkantflanschesVersammlung
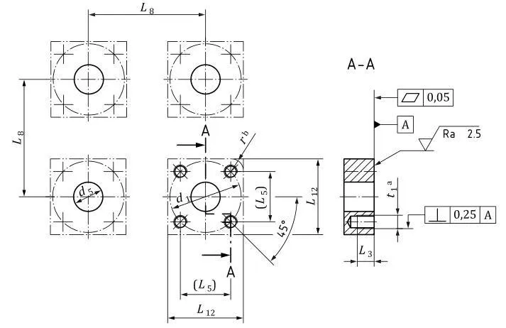
Anschlussabmessungen für Vierkantflanschanschluss

Dominalgröße | d1 | d5 | L3 | L5 | L8 | L12 | r | t1 | Anmerkung |
25 | 62 | 11 | 15.5 | 43.8 | 68 | 65.3 | 10 | M10x1.5 | |
32 | 73 | 13 | 20.5 | 51.6 | 80 | 75.3 | 12 | M12x1.75 | |
38 | 85 | 17 | 24.5 | 60.1 | 95 | 90.3 | 14 | M16x2 | |
51 | 98 | 17 | 24.5 | 69.3 | 105 | 100.3 | 16 | M16x2 | |
56 | 118 | 21 | 31 | 83.4 | 125 | 120.3 | 20 | M20x2.5 | |
63 | 145 | 21 | 39 | 102.5 | 155 | 150.5 | 20 | M24x3 | |
70 | 160 | 25 | 41 | 113.1 | 165 | 160.5 | 20 | M24x3 |
Diese Dimension dient nur als Referenz.
Gewinde nach ISO 724, Grobsteigung ISO 261.
Gewinde und Schraubenlänge werden für verschiedene Stähle berechnet,
Quadratische Flanschkopfabmessungen

Teile-Nr. | Dominalgröße | d6 max | d7 max | d8 max | d9 | d10 | L9 | L10 | L11 | L13 |
FCSH-25 | 25 | 38 | 23 | 25 | 39.2 | 47.6 | 27 | 9.5 | 2.75 | 5.4 |
FCSH-32 | 32 | 44 | 29 | 30 | 43.9 | 54 | 32 | 10.3 | 2.75 | 5.4 |
FCSH-38 | 38 | 51 | 35 | 37 | 53.2 | 63.5 | 38 | 12.6 | 2.75 | 5.4 |
FCSH-51 | 51 | 67 | 45 | 47 | 65.8 | 79.4 | 42 | 12.6 | 4.25 | 7.7 |
FCSH-56 | 56 | 80 | 54 | 56 | 78.3 | 94.2 | 52 | 16.5 | 4.25 | 7.7 |
FCSH-63 | 63 | 90 | 59 | 60 | 84.5 | 110 | 56 | 18 | 4.25 | 7.7 |
FCSH-70 | 70 | 102 | 66 | 68 | 93.8 | 119 | 65 | 20 | 4.25 | 7.7 |
FCSH-80 | 80 | 114 | 74 | 76 | 97 | 135 | 75 | 23.5 | 4.25 | 7.7 |
Hinweis:
Für den Anschluss wird ein anderes Material gewählt, um den unterschiedlichen Arbeitsdruck aufrechtzuerhalten.
Beliebte label: metrischer quadratischer Hydraulikflansch, China, Hersteller, Zulieferer, Zoll, Messing, Swagelok, Parker, Stauff, Brennan, Edelstahl












